Профиль резиновый ТМС Strut

Характеристики
Производитель ТМС
Тип товара Профиль монтажный
Материал EPDM
Серия TMC STRUT
Длина, мм 1000
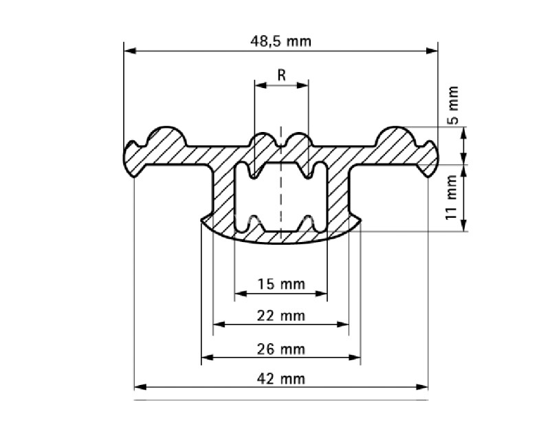
Шумоизолирующий резиновый профиль из EPDM предназначен для виброизоляции монтажных страт-профилей и траверс. Резиновый профиль ТМС функционирует как демпфирующая прокладка, уменьшая уровень шума и предотвращая передачу колебаний, возникающих от инженерных систем, таких как трубопроводы или воздуховоды, на основную монтажную конструкцию.
Можно использовать для шпилек M8 или M10.
Не содержит хлора и устойчив к старению, устойчив к озону, ультрафиолету, погодным условиям и морской воде.
Термостойкость от -30 °C до +110 °C.
Описание

Профиль резиновый ТМС Strut — это шумоизолирующий элемент из черной резины EPDM, предназначенный для использования в комбинации с металлическими профилями системы STRUT.

Профиль обладает устойчивостью к ультрафиолету, озону и морской воде, а также сохраняет свои свойства в широком температурном диапазоне от -30°C до +110°C.

Особенности и преимущества

Ключевым преимуществом резинового профиля является его способность эффективно снижать передачу вибрации и шума благодаря упругим свойствам материала EPDM.

Экологическая безопасность (отсутствует хлор) и устойчивость к старению обеспечивают длительный срок службы даже при наружном применении. Совместимость со шпильками M8 и M10, а также возможность совместного использования со стандартными профилями STRUT делает его универсальным решением для улучшения акустических характеристик конструкций.

Применение

Профиль применяется для снижения вибрации и структурного шума в конструкциях на основе профилей ТМС Strut. Используется при монтаже инженерных систем в жилых, коммерческих и промышленных зданиях, где требуется повышение акустического комфорта и виброизоляции.

Отзывы
Артикул V-код Наименование Цена с НДС,
руб / м
Наличие Купить
1 20100 V644999 ТМС Strut Шумоизолирующий резиновый профиль 1 м В упаковке 1 м, минимум - 1 м 2 185,00 Предзаказ
Всего 1 товар

Этот товар встречается в категориях

Отзывы

Здесь еще нет отзывов. Оставьте первый отзыв
Оставить отзыв
Отзыв о товаре:
Загружено: 0 из 10. Максимальный размер файла: 8 MB
Оценка товара:
Оставляя отзыв, вы подтверждаете своё согласие с политикой конфиденциальности.